产品中心

CH C8色谱柱

CH C8色谱柱,采用与CH C18相同的高纯硅胶,疏水作用的降低,使色谱峰更尖锐,分离速度更快。特别适合分析那些吸附性很强,峰形欠佳的化合物。
返回列表 >

CH C8色谱柱,采用与CH C18相同的高纯硅胶,疏水作用的降低,使色谱峰更尖锐,分离速度更快。特别适合分析那些吸附性很强,峰形欠佳的化合物。


特性: 

  • 与C18的选择性相似,保留稍弱  
  • 适用于分离疏水性相对较高的样品
  • 采用与CH C18相同的高纯硅胶,保证峰形对称的同时继承了长寿命的优良特性 

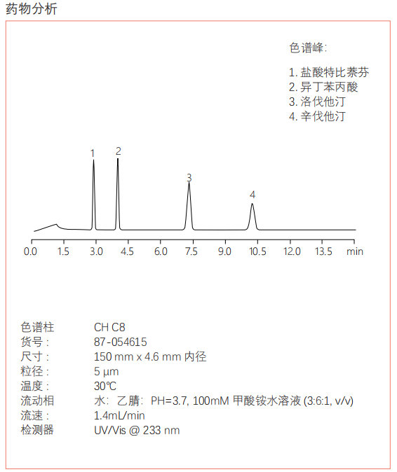
色谱图:

image.png


填料规格Packing specification:

image.png




产品描述规格货号
CH C8 250 x 4.6 mm87-054625
CH C8 150 x 4.6 mm87-054615